服务电话
全国免费加盟热线:400-0180-839

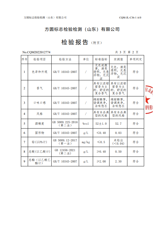
五粮原液检测报告

文章来源:冠泉酒业 作者:冠泉酒业 发布时间:2023-05-06 11:42:47 浏览次数:0

                                   冠泉酒业委托山东方圆标志认证集团对我厂生产的五粮原液进行检测,结果显示我厂生产的五粮原液完全符合规范

检验标志

五粮原液



`9(LYY43P)(PA3_ZF5T]K_T

白酒


推荐产品 / Recommended product
  • 米香型-大米酒 米香型-大米酒
  • 浓香型-百年窖藏 浓香型-百年窖藏
  • 芝麻香型-芝麻 芝麻香型-芝麻
  • 浓香型-生态洞藏 浓香型-生态洞藏